Hem > Produkter > Laseravståndsmätarmodul > 1064NM LASER TARGE DESITITATOR > 200MJ Laser Target Designator (LTD) WIHT LRF
200MJ Laser Target Designator (LTD) WIHT LRF
  • 200MJ Laser Target Designator (LTD) WIHT LRF200MJ Laser Target Designator (LTD) WIHT LRF

200MJ Laser Target Designator (LTD) WIHT LRF

STA-Z200M är en militär 200MJ Laser Target-designare som spelar en avgörande roll i precisionssystem som kan ge exakt vägledning för smart ammunition. Genom ett avancerat optiskt system markerar det målet med en laserstråle, vilket säkerställer att precisionsstyrda vapen kan förstöra målet med extremt hög noggrannhet och effektivitet.

Skicka förfrågan

Produktbeskrivning
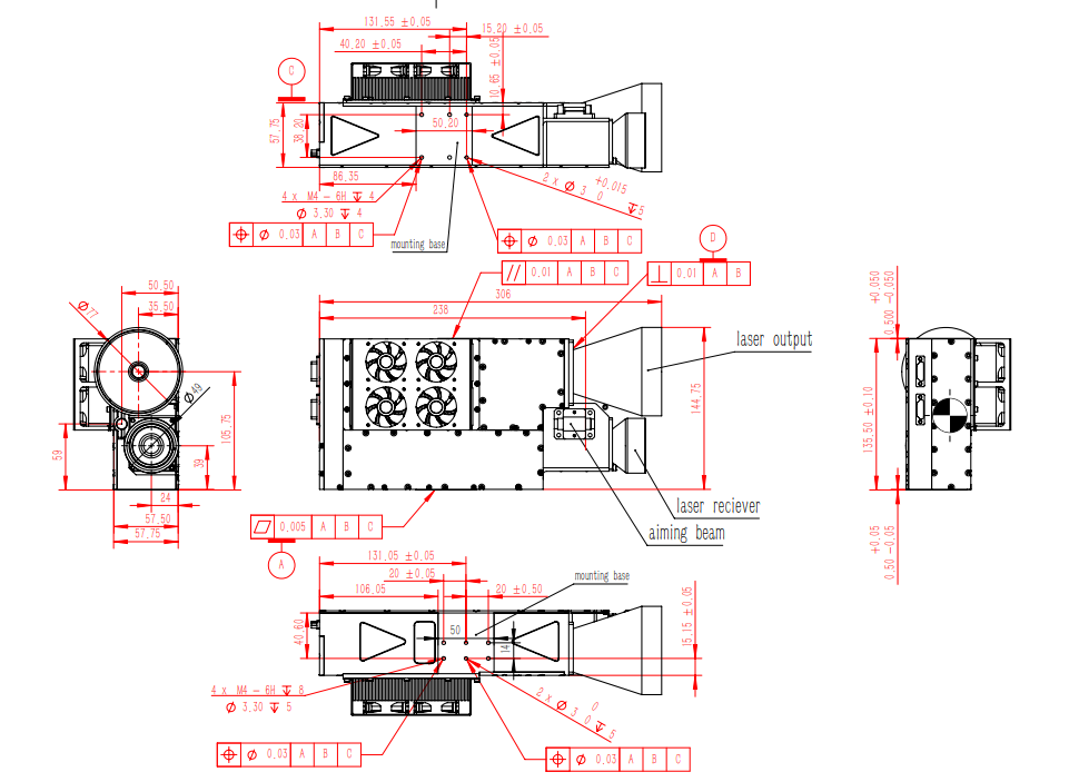
Denna modell av Laser Target -designator antar den integrerade designen, systemet består av en laserljuskälla och drivrutin, en avståndsmätningsmodul, ett observationssystem och en kontrollmodul.

Huvudfunktion

Laseravståndsfunktion;
Laserbestrålningsfunktion;
Fotoelektrisk isoleringssignalutlösare;
demonterad riktad stråle;
extern triggerfunktion;

Huvudtekniska indikatorer

Arbetsvåglängd 1064nm ± 1nm
Laserbestrålningsenergi 200 mj
Lättfördröjning 304 ygg ± 1 μs
Laserstråle dispersionsvinkel ≤0,2 mad
Bestrålningsfrekvens 8 ~ 21Hz
Avståndsfrekvens 10Hz
Laserpulsbredd 10ns ~ 15ns
Kraftsstabilitet ≤ ± 8%
Avståndsortiment 0,3 m ~ 30 km (målstorlek 10 m *10 m *8 m, synlighet 30 km)
Variationsfel mindre än eller lika med 5 meter
Målval Första/andra/slut
Exakt mätningshastighet 98%
Starttid < 1 min (vid normal temperatur)
Arbetstid Variationsläge continuously working for 5min, rest for 4min, continuous 5 cycles(at low/normal temperature)continuously working for 5min, rest for 4min, continuous 2cycles(at high temperature and 85mj output)continuously working for 2 min, rest for 4min, continuous 2cycles(at high temperature and 160mj output)
Bestrålningsläge irradiation time 90s, rest 60s, continuous 5 cycles (at low/normal temperature and 85mj output)irradiation time 60s, rest 60s, continuous 5 cycles (at low/normal temperature and 160mj output)irradiation time 90s, rest 60s, continuous1 cycles (at high temperature and 85mj output)irradiation time 60s, rest 60s, continuous 1 cycles (at high temperature and 160MJ -utgång)
Fullständig vikt ≤ 3,3 kg

Volym av hela uppsättningen



Elgränssnitt

Kommunikationsanslutning (Socket Model J30J-15ZKP, Butt Plug-modell J30J-15TJ) PIN Definition

Stift Definition Innehåll Typ av signal Anmärkningar
1 Tx+ Rs422 Skicka positivt (lokalt) Produktion Objektvärd dator
2 Tx - Rs422 Skicka negativt (lokalt) Produktion Objektvärd dator
3 Rx+ Rs422 får positivt (lokalt) Input Objekt övre dator
4 Rx - Rs422 Få negativ (lokal) Input Objekt övre dator
5 Gard Mark Rs422 Signalplats Objekt övre dator
6


Tillverkarens felsökningspecial
7


Tillverkarens felsökningspecial
8


Tillverkarens felsökningspecial
9


Tillverkarens felsökningspecial
10


Tillverkarens felsökningspecial
11


Tillverkarens felsökningspecial
12


Tillverkarens felsökningspecial
13


Tillverkarens felsökningspecial
14
Externt tidssystem + Input Rs422 Differential
15
Externt tidssystem - Input Rs422 Differential

Strömanslutning (Plug -typ J30J02P020P000S0P120, PLUG TYP J30J02P020S000S0L000) PIN Definition

Stiftnummer Definition Anmärkningar
A, B 24V Trådfärgen är röd
C, d Gard Trådfärgen är svart

Nyckelprestandaindikatorer

Strömförsörjning och strömförbrukning Strömförsörjningsområde 20V ~ 33V, DC
Energiförbrukning Toppkraften är inte mer än 260W, standby -kraft är inte mer än 60W (normal temperatur)
Pålitlighet MTBF är inte mindre än 4000H (total avfyrningstid är större än 3 miljoner)
Säkerhet Ställ in en varningsanordning för att lasern ska fungera
Lasersändarens utgång är försedd med uppenbara varningstecken
Utrustningen är väl jordad
Underhållbarhet Alla större funktionella komponenter och utrustning har både felindikatorer och indikatorer för normal drift
Den genomsnittliga reparationstiden MTTR är inte mer än 20 minuter
Elektromagnetiska kompatibilitetskrav I systemets startprocess kan utrustningen vara kompatibel med annan utrustning i systemet och fungera normalt

Krav på miljöanpassningsförmåga

Temperatur Driftstemperatur -40 ℃ ~ +60 ℃
Lagringstemperatur -40 ℃ ~ +70 ℃
Fuktig värme Relativ luftfuktighet 95% ± 3%
Temperatur +25 ° C ± 2 ° C
Lagringstid 72h
Vibration Vibrationsspektrumform (GRMS = 6,06) 20Hz till 80Hz +3db/okt
80Hz till 350Hz G2/0,04 Hz
350Hz till 2000Hz -3db/okt
Vibrationsriktning och tid vibrera i två riktning i minst 10 minuter
Kontrollpunkt bör väljas i fixturen eller skakningsytan nära produktens maximala styvhet, stor utrustning kan använda multi-punkts genomsnittlig kontroll
Övervakningspunkt Övervakningspunkten bör väljas i den viktigaste delen av produkten som testas, så att rotens medelkvadrat accelerationssvar inte överskrider den maximala tillåtna designen (GRMS = 6,06)
Installationskrav Provet är ordentligt fäst vid skakningstabellen, och för produkter utrustade med stötdämpare bör stötdämparna tas bort innan de testas
Prestationskontroll Under vibrationstestning med utrustningen påslagen måste alla prestationsindikatorer uppfylla de tekniska kraven som anges i designdokumentet. I händelse av misslyckande är reparationer tillåtna. Efter reparationen bör det spektrala värdet reduceras till 0,01 g²/Hz, GRMS = 3,03, och provet bör underkastas vibrationer i den riktning som är mest mottaglig för vibrationer under 10 minuter under acceptansprovet.
Temperaturcykel Temperaturområde Starttest -35 ± 3 ℃ ~ +52 ± 2 ℃
Temperaturförändringshastigheten Temperaturökning 10 ℃/min
Kyl 10 ℃/min
Cykeltider Tio cykler bör slutföras, vilket säkerställer att de två senaste cyklerna är utan fel. Om ett fel uppstår under de senaste 2 cyklerna, efter reparationer, krävs ytterligare 2 felfria cykler.
Cykeltid En cykeltid är 4 timmar, en cykel inkluderar temperaturökning → Temperaturvistelse → Kylning → Temperaturvistelse → Temperaturökning
Hög och låg temperatur uppehållstid Uppehållstiden beror på provets värmekapacitet. Baserat på principen om produktens termiska eller kallpermeabilitet upprätthålls provetets inre temperatur i 5 minuter efter att ha nått stabilitet
Kraven för produkten som testas Allmänt temperaturcykeltest med hela maskinen, bör vara så långt som möjligt för att öppna locket
Kontrollera och reparera I krafttestutrustningen, efter varje temperaturcykeltest, är det nödvändigt att bekräfta att utrustningen är fri från fel innan du fortsätter till nästa temperaturcykel
Drenningskrav Drenning utförs med hela utrustningen
transportkrav Utrustning måste transporteras som ett helt fordon
Om produkten inte har genomgått ett vägtransporttest kan du utföra ett inomhustransportsimuleringstest med ett simuleringstransporttabell. Detta test involverar genomförande av ett sinusformat cykliskt vibrationstest för att bedöma produktens prestanda
Kraven i det simulerade transporttabelltestet är följande
Testförhållanden Frekvens 5Hz ~ 200Hz
Amplitud 5Hz ~ 7Hz
Amplitud 12mm ~ 8mm
7Hz ~ 200Hz Equal Acceleration 1.5g
Vibrationstesttillstånd tillåtet avvikelse är densamma som bredbands slumpmässiga vibrationstest
Riktning vertikal axelriktning och sida; orientering: vertikal och lateral till axeln
Cykeltid log-scan 5Hz ~ 200Hz ~ 5Hz, 12 min per cykel; När provets resonansfrekvens mäts under 5Hz, kan testfrekvensen förlängas till 2Hz, 2Hz ~ 200Hz ~ 2Hz skanning, skanningstiden bör vara 15 min. Vibrationstiden i varje riktning är 90MIN
Efter transporttestet, kontrollera om det finns några tecken på skador eller strukturell lossning och genomföra en inspektion av tekniska index för att säkerställa att de uppfyller designkraven

Hot Tags: 200MJ Laser Target Designator (LTD) WIHT LRF, tillverkare, leverantörer, fabrik, Kina, tillverkad i Kina, anpassad, hög kvalitet
Relaterad kategori
Skicka förfrågan
Lämna gärna din förfrågan i formuläret nedan. Vi kommer att svara dig inom 24 timmar.
X
Vi använder cookies för att ge dig en bättre webbupplevelse, analysera webbplatstrafik och anpassa innehåll. Genom att använda denna sida godkänner du vår användning av cookies. Sekretesspolicy
Avvisa Acceptera