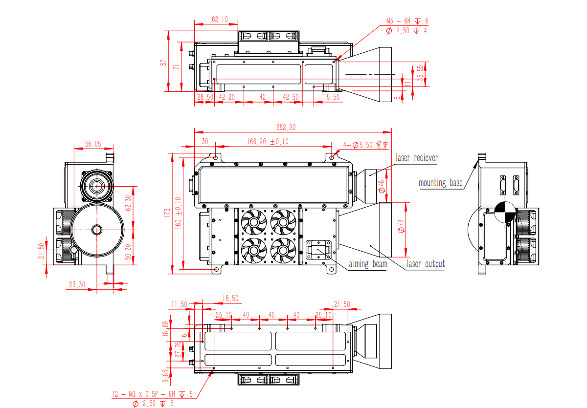
STA-Z80M är en militär 80MJ Laser Target-designare som spelar en avgörande roll i precisionssystem som kan ge exakt vägledning för smart ammunition. Genom ett avancerat optiskt system markerar det målet med en laserstråle, vilket säkerställer att precisionsstyrda vapen kan förstöra målet med extremt hög noggrannhet och effektivitet.
| Huvudparametrar för laserljuskälla | |
| Arbetsvåglängd | 1064nm ± 1nm |
| Pumpläge | halvledarens sidopump |
| Bestrålningsfrekvens | Exakt kod 45ms - 125 ms (kontrollkod 20Hz) |
| Triggermetod | Båda int. trigger och ext. Trigger (triggerfördröjning: 304US+-1US) |
| Utgångsenergi | ≥80mj@20Hz |
| Max.irRadiation Distance | ≥12 km |
| Q Växlingsläge | elektrooptisk Q-omkopplare |
| Pulsbredd | 10ns ~ 20ns |
| Stråldivergensvinkel | Att använda 0,15 mrad (acceptansmetoden antar hålhålsmetod, och förhållandet mellan hålhål och hålfritt är inte mindre än 86,5%) |
| Pulsenergistabilitet | ≤8%(RMS) |
| Bestrålning arbetscykel | Arbetar 90 -tal, intervall 60 -talet; 4 cykler (normal temperatur eller låg temperatur), 1 cykel (hög temperatur 60 ℃) |
| Strömförsörjning | DC 24V ± 4V |
| Driva | <240W (Normal temperaturstandby ström: <2a, topparbetande ström <10a, hög och låg temperaturstativ ström <3,5A) |
| Kommunikationsserieport | Rs422 |
| Externt triggergränssnitt | 3V Differential Level Drive, RS422 Gränssnitt (fördröjningstid är 304US +/- 1US från Trigger Signal till Lase Out) |
| Kodningstyp | Exakt frekvenskodning, tidskodning, pseudo slumpmässig kodning |
| Med hjälp av precision | <+-1us |
| Laseravståndsparametrar | |
| Variationsläge | 0 ~ 5Hz Ranging |
| Maximalt uppmätt avstånd | > 30 km (20 km synlighet, 2,3x2,3 m typiskt mål, målreflektans> 20%) |
| Minst uppmätt avstånd | 300 m |
| Alltför noggrannhet | ± 5 m |
| Miljöanpassningsbarhet | |
| Låg temperatur | Driftstemperatur: -40C |
| Lagringstemperatur: -45 ℃ | |
| Hög temperatur | Driftstemperatur: + 60 ℃ |
| Lagringstemperatur: +65 ℃. | |
| Fuktig värme | Relativ fuktighet: 95%± 3%; |
| Temperatur: +35 ℃ ± 2 ℃ | |
| Lagringstid: 72 timmar. | |
| Inverkan | |
| Slagvågform | halv sinusformad puls |
| Toppacceleration | 10g |
| Pulsbredd | 11ms |
| Antal chocker | 3 i vertikal axiell riktning |
| Vibration | |
| Frekvensområde | 5 ~ 16Hz Enkel amplitudförskjutning: 1,5 mm |
| 16 ~ 200Hz (16 ~ 60Hz för optisk utrustning) Acceleration: 1,5 g | |
| En skanningstid | 12min |
| Varaktighet | vertikal axiell 36min |

| Stift | Definition | Innehåll | Typ av signal | Anmärkningar |
| 1 | Tx+ | Rs422 Skicka positivt (lokalt) | Produktion | Objektvärd dator |
| 2 | Tx - | Rs422 Skicka negativt (lokalt) | Produktion | Objektvärd dator |
| 3 | Rx+ | Rs422 får positivt (lokalt) | Input | Objekt övre dator |
| 4 | Rx - | Rs422 Få negativ (lokal) | Input | Objekt övre dator |
| 5 | Gard | Mark Rs422 | Signalplats | Objekt övre dator |
| 6 |
|
|
|
Tillverkarens felsökningspecial |
| 7 |
|
|
|
Tillverkarens felsökningspecial |
| 8 |
|
|
|
Tillverkarens felsökningspecial |
| 9 |
|
|
|
Tillverkarens felsökningspecial |
| 10 |
|
|
|
Tillverkarens felsökningspecial |
| 11 |
|
|
|
Tillverkarens felsökningspecial |
| 12 |
|
|
|
Tillverkarens felsökningspecial |
| 13 |
|
|
|
Tillverkarens felsökningspecial |
| 14 |
|
Externt tidssystem + | Input | Rs422 Differential |
| 15 |
|
Ytter Time Tong - | Input | Rs422 Differential |
| Stiftnummer | Definition | Anmärkningar |
| A, B | 24V | Trådfärgen är röd |
| C, d | Gard | Trådfärgen är svart |
| Strömförsörjning och strömförbrukning | Strömförsörjningsområde | 20V ~ 33V, DC |
| Energiförbrukning | Toppkraften är inte mer än 240W, standby -kraft är inte mer än 60W (rumstemperatur) | |
| Pålitlighet | MTBF är inte mindre än 4000H (total avfyrningstid är större än 3 miljoner) | |
| Säkerhet | Ställ in en varningsanordning för att lasern ska fungera | |
| Lasersändarens utgång är försedd med uppenbara varningstecken | ||
| Utrustningen är väl jordad | ||
| Underhållbarhet | Alla större funktionella komponenter och utrustning har både felindikatorer och indikatorer för normal drift | |
| Den genomsnittliga reparationstiden MTTR är inte mer än 20 minuter | ||
| Elektromagnetiska kompatibilitetskrav | I systemets startprocess kan utrustningen vara kompatibel med annan utrustning i systemet och fungera normalt | |
| Temperatur | Driftstemperatur | -40 ℃ ~ +60 ℃ | ||||
| Lagringstemperatur | -45 ℃ ~ +70 ℃ | |||||
| Fuktig värme | Relativ luftfuktighet | 95% ± 3% | ||||
| Temperatur | +25 ° C ± 2 ° C | |||||
| Lagringstid | 72h | |||||
| Vibration | Vibrationsspektrumform (GRMS = 6,06) | 20Hz till 80Hz | +3db/okt | |||
| 80Hz till 350Hz | G2/0,04 Hz | |||||
| 350Hz till 2000Hz | -3db/okt | |||||
| Vibrationsriktning och tid | Vibrera i två riktning i minst 10 minuter. (Vibration i två riktningar, dvs X -axeln som är längs laseraxeln och Z -riktningen också) | |||||
| Kontrollpunkt | bör väljas i fixturen eller skakningsytan nära produktens maximala styvhet, stor utrustning kan använda multi-punkts genomsnittlig kontroll | |||||
| Övervakningspunkt | Övervakningspunkten bör väljas i den viktigaste delen av produkten som testas, så att rotens medelkvadrat accelerationssvar inte överskrider den maximala tillåtna designen (GRMS = 6,06) | |||||
| Installationskrav | Provet är ordentligt fäst vid skakningstabellen, och för produkter utrustade med stötdämpare bör stötdämparna tas bort innan de testas | |||||
| Prestationskontroll | Under vibrationstestning med utrustningen påslagen måste alla prestationsindikatorer uppfylla de tekniska kraven som anges i designdokumentet. I händelse av misslyckande är reparationer tillåtna. Efter reparationen bör det spektrala värdet reduceras till 0,01 g²/Hz, GRMS = 3,03, och provet bör underkastas vibrationer i den riktning som är mest mottaglig för vibrationer under 10 minuter under acceptansprovet. | |||||
| Temperaturcykel | Temperaturområde | Starttest | -40 ± 3 ℃ ~ +55 ± 2 ℃ | |||
| Temperaturförändringshastigheten | Temperaturökning | 10 ℃/min | ||||
| Kyl | 10 ℃/min | |||||
| Cykeltider | Tio cykler bör slutföras, vilket säkerställer att de två senaste cyklerna är utan fel. Om ett fel uppstår under de senaste 2 cyklerna, efter reparationer, krävs ytterligare 2 felfria cykler. | |||||
| Cykeltid | En cykeltid är 4 timmar, en cykel inkluderar temperaturökning → Temperaturvistelse → Kylning → Temperaturvistelse → Temperaturökning | |||||
| Hög och låg temperatur uppehållstid | Uppehållstiden beror på provets värmekapacitet. Baserat på principen om produktens termiska eller kallpermeabilitet upprätthålls provetets inre temperatur i 5 minuter efter att ha nått stabilitet | |||||
| Kraven för produkten som testas | Allmänt temperaturcykeltest med hela maskinen, bör vara så långt som möjligt för att öppna locket | |||||
| Kontrollera och reparera | I krafttestutrustningen, efter varje temperaturcykeltest, är det nödvändigt att bekräfta att utrustningen är fri från fel innan du fortsätter till nästa temperaturcykel | |||||
| Drenningskrav | Drenning utförs med hela utrustningen | |||||
| transportkrav | Utrustning måste transporteras som ett helt fordon | |||||
| Om produkten inte har genomgått ett vägtransporttest kan du utföra ett inomhustransportsimuleringstest med ett simuleringstransporttabell. Detta test involverar genomförande av ett sinusformat cykliskt vibrationstest för att bedöma produktens prestanda | ||||||
| Kraven i det simulerade transporttabelltestet är följande | ||||||
| Testförhållanden | Frekvens | 5Hz ~ 200Hz | ||||
| Amplitud | 5Hz ~ 7Hz | |||||
| Amplitud 12mm ~ 8mm | ||||||
| 7Hz ~ 200Hz Equal Acceleration 1.5g | ||||||
| Vibrationstesttillstånd tillåtet avvikelse är densamma som bredbands slumpmässiga vibrationstest | ||||||
| Riktning | vertikal axelriktning och sida; orientering: vertikal och lateral till axeln | |||||
| Cykeltid | log-scan 5Hz ~ 200Hz ~ 5Hz, 12 min per cykel; När provets resonansfrekvens mäts under 5Hz, kan testfrekvensen förlängas till 2Hz, 2Hz ~ 200Hz ~ 2Hz skanning, skanningstiden bör vara 15 min. Vibrationstiden i varje riktning är 90MIN | |||||
| Efter transporttestet, kontrollera om det finns några tecken på skador eller strukturell lossning och genomföra en inspektion av tekniska index för att säkerställa att de uppfyller designkraven | ||||||